| Sign In | Join Free | My brakesband.com |
|
Brand Name : JLX
Model Number : LX-B15N
Certification : ISO 17025 CNAS & ILAC Test Report
Place of Origin : Made in China
MOQ : 1
Payment Terms : T/T, Western Union
Supply Ability : 200 per month
Delivery Time : 5 working days
Packaging Details : Export standard packing
Standard : IEC60968
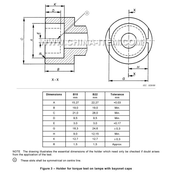
Objective: To detect the lamp holder of mechanical strength.
Torsion resistance
The cap shall remain firmly attached to the bulb or that part of the lamp which is used for screwing the lamp in or out when subjected to the torque levels listed below.
B15d.............................................. 1,15 Nm
The test is made by means of the test holders shown in figures 3.

HK LEE HING INDUSTRY CO., LIMITED are specialized in manufacturing special, custom built, test and measuring equipment for products testing as per international norms and offering calibration services and related information. Our products and services are used by research & development establishments, test laboratories, defense establishments, government institutions & manufacturing industries to fulfill the clients' requirements.
Main Products: Go No Go Gauges, IP Tester, Test Probe Kit, Impact Test Equipment, Test Probes, Spring Hammer, IEC 61032 Test Finger, AC Hipot Tester, IEC Test Probe, UL Test Probe, Material Flammability Tester, IP Code Tester, Impact Test Apparatus, Security Testing Machine, Plugs and Socket Outlet Gauge, Lamp Cap Gauge Tester, Lampholders Gauge Tester, Plug & Socket Tester, Electrical Safety Tester, LED Test Instruments, Environmental Test Equipment, Instrument Accessories, Weighing Sensor and More.
If you require equipment to test products such as home appliances, electrical accessories like switches, sockets, connectors, etc. industrial & road lighting luminaires, automobile lighting systems or related categories, we can provide the solutions you need.
We would appreciate your comments on the layout design, presentation or other aspects of our website.
Website: http://www.china-gauges.com
Contacts: Nina She
E-mail: sales@china-gauges.com
TEL: +86-755-33168386
FAX: +86-755-61605199
Phone: +86-15919975191
SKYPE: nina.she@outlook.com
Address: 1F Junfeng Building, Gongle, Xixiang, Baoan District, Shenzhen, Guangdong, China
ZIP: 518102
Website: http://www.china-gauges.com









|
|
B15d Lamp Cap Torque Gauge of IEC60968 Figure 3 Images |